Zum Hauptinhalt springen Zur Suche springen Zur Hauptnavigation springen

Menü

SOREL Solarsteuerung Solarregler Temperaturdifferenzsteuerung STDC V3 (inkl. 2 x PT1000 Fühler)

Beschreibung

Produktinformationen "SOREL Solarsteuerung Solarregler Temperaturdifferenzsteuerung STDC V3 (inkl. 2 x PT1000 Fühler)"

SOREL Solarsteuerung Solarregler Temperaturdifferenzsteuerung STDC V3 (inkl. 2 x PT1000 Fühler)

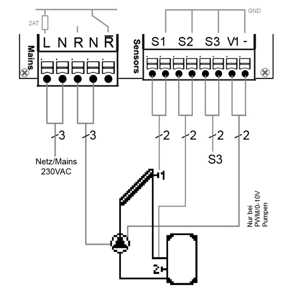
Der Temperatur Differenz Controller STDC ermöglicht Ihnen eine effiziente Nutzung und Funktionskontrolle Ihrer Solar- oder Heizanlage. Die Solarsteuerung überzeugt vor allem durch Ihre Funktionalität und einfache, selbsterklärende Bedienerführung. Die einzelnen Eingabetasten sind bei jedem Eingabeschritt sinnvollen Funktionen zugeordnet und erklärt. Im Reglermenü stehen Ihnen neben Schlagwörtern bei den Messwerten und Einstellungen auch Hilfetexte oder übersichtliche Grafiken zur Verfügung. Der STDC V3 ist als Temperatur- Differenzregler für verschiedene Anlagevarianten einsetzbar.

Vorteile:

  • Darstellung von Grafiken und Texten in beleuchteten (energiesparenden) LED Display (128x64 dots)
  • Einfache Abfrage der aktuellen Messwerte
  • Auswertung und Überwachung der Anlage u.a. über Grafikstatistik
  • Umfangreiche Einstellmenüs mit Erklärungen
  • Menüsperre gegen unbeabsichtiges Verstekken aktivierbar
  • Rücksetzen auf zuvor gewählte Werte oder Werkseinstellungen
  • Für Standard- und hocheffiziente Umwälzpumpen mit PWM Signal
  • 3 Sensoreingänge für PT1000 Temperaturfühler
  • Menü in 18 Sprachen (DE, EN, FR, ES, IT, PT, PL, CZ, DK, GR, HR, HU, NL, RU SE, FI, TR, BG)
  • 9 vordefinierte Anwendungen

Lieferumfang:

  • Solarsteuerung
  • Befestigungsmaterial
  • Ersatzsicherung
  • Montage- und Bedienungsanleitung
  • 1 x PT1000 Fühler - 1,5 Meter
  • 1 x PT1000 Fühler - 2,5 Meter

Technische Daten:

 STDC
Fühlereingänge Pt1000 3
Relaisausgänge 230VAC 1
Relaisausgang potentialfrei
Ausgänge 0..10V oder PWM-Signal
zur Drehzahlregelung von Hocheffizienzpumpen
1
Anzahl der vordefinierten Anwendungen 9
Erweiterung der vordefinierten Anwendungen
durch frei wählbare Zusatzfunktionen
LEDs Rot/Grün zur Anzeige des Status
Statistiken und Grafikauswertungen aus Datenspeicher
Wärmezählung über Direktsensor (VFS bzw. VVX)
Druckmessung über Grundfos Direktsensor (RPS)
Batteriegepufferte Echtzeituhr RTC
Uhrzeit- und temperaturgesteuerte Thermostatfunktion
Antilegionellenfunktion über Solar
Antilegionellenfunktion durch Zusatzheizung
Kühlfunktion
Inbetriebnahmeassistent
Anlagenschutz
Kollektorschutz
Speicherschutz (KS-Tmax)
Frostschutz
Rückkühlung
Startlogik für Vakuumröhrenkollektoren
Steuerprogramm für selbstentleerende Systeme (Drain-Back)
Funktionskontrolle und Fehlerspeicher mit Datum
und Uhrzeit
Menüblocker
Netzteil für universellen Spannungsbereich (100 … 240VAC) und reduzierten Standby-Verbrauch
CAN Bus Anschluss für SOREL Connect
Data-Logging auf microSD Karte
Ethernetanschluss
Abmessungen Höhe x Breite x Tiefe in mm 115 x 86 x 45
Gehäusefarbe RAL 9003
Schutzart IP40
Befestigungsmaterial, Ersatzsicherung und Anleitung

 

Datenblätter 1

Hersteller

SOREL

Herstellerangaben:

SOREL GmbH Mikroelektronik
Reme-Straße 12
58300 Wetter (Ruhr)

Tel.: +49 2335 - 68277 0

Fax: +49 2335 - 68277 10

Mail: info@sorel.de


Hersteller-Webseite
Angaben zum Hersteller (Informationspflichten zur GPSR Produktsicherheitsverordnung)
SOREL GmbH Mikroelektronik
Reme-Straße 12
58300 Wetter (Ruhr)
info@sorel.de

Installations- & Warnhinweise

Warnung: Alle Warnhinweis auf dem Produkt, auf der Verpackung oder in der Bedienungsanleitung sind bei der Montage und beim Gebrauch unbedingt zu beachten! Um Gesundheitsschäden zu vermeiden, richten Sie sich bei der Montage, Erstinbetriebnahme, Inspektion, Wartung und Instandsetzung nach den Anweisungen des Herstellers. Wenn angegeben, diese Arbeiten nur von autorisiertem Fachpersonal durchführen lassen!

Bei Fragen rund um Sicherheit, Kompatibilität und Zulassung kontaktieren Sie unseren Kundensupport!

Produktgalerie überspringen

Zubehör

Solarstation 1-Strang-Pumpengruppe Hocheffizienzpumpe Hydra GPS I 20-8-130 PWM2 Solarstation 1-Strang-Pumpengruppe Hocheffizienzpumpe Hydra GPS I 20-8-130 PWM2
Solarstation 1-Strang-Pumpengruppe Hocheffizienzpumpe Hydra GPS I 20-8-130 PWM2

Solarstation 1-Strang-Pumpengruppe Hocheffizienzpumpe Hydra GPS I 20-8-130 PWM2 Unsere 1-Strang Solarstation ist die ideale Lösung für Ihre Solarthermie-Anlage. Ausgestattet mit der energiesparenden Hydra GPS I 20-8-130 PWM2 Hocheffizienzpumpe, bietet sie eine hohe Leistung bei minimalem Stromverbrauch im Vergleich zu herkömmlichen asynchronen Pumpen.Die Solarstation dient als Herzstück der Anlage, indem sie die Wärmeträgerflüssigkeit effizient zirkulieren lässt. Mit durchdachten Funktionen und hochwertiger Ausstattung erleichtert sie den Einbau und sorgt für eine sichere, zuverlässige Nutzung.Ihre Vorteile auf einen BlickTemperaturkontrolle: Überwachung der Vorlauftemperatur.Vormontiert und isoliert: Zeitersparnis bei der Installation dank integrierter Dämmung aus EPP (schwarz).Integrierte Sicherheitsgruppe: Solar-Sicherheitsventil (6 bar) und Manometer (10 bar).Einfache Wartung: Befüll- und Spüleinrichtung bereits integriert.Robuste Komponenten: Kugelhahn und Rückschlagventil im Thermometer.Durchflussanzeige: Präzise Kontrolle im Bereich von 2 bis 12 l/min.Flexible Montage: Für Wand- und Speichereinbau geeignet. Elektrische Verbindung230V Versorgung:Braunes Kabel → L (Phase)Blaues Kabel → N (Null-Leiter)Gelb-Grünes Kabel → PE (Erde)PWM Signalanschluss:Braunes Kabel → + DC PluspolBlaues Kabel → - DC MinuspolSchwarzes Kabel → Rückmeldung (optional)Wichtig: Das PWM-Signal ist eine DC-Gleichspannung (0-10V). Vermeiden Sie eine Verbindung mit 230V AC, da dies die Pumpe irreparabel beschädigen kann.Praktischer TippFalls Ihre Steuerung kein PWM-Signal unterstützt, empfehlen wir den Einsatz eines Pumpensignalwandlers, z. B. den Resol PSW Premium.Technische DatenPumpeHydra GPS I 20-8-130 PWM2Max. Betriebstemperatur110 °CSicherheitsventil6 barTemperaturbereich Thermometerblau 100 °CDurchflussanzeige2-12 l/minAnschlüsse Solarleitung3/4" AGAnschluss für Ausdehnungsgefäß3/4" AGAnschlüsse am KFE-Hahn3/4" AGAbmessungen ca.460 x 210 x 185 mmSpannung220-240V bei 50-60Hz

Regulärer Preis: 172,90 €
Produkt Anzahl: Gib den gewünschten Wert ein oder benutze die Schaltflächen um die Anzahl zu erhöhen oder zu reduzieren.
Orkli Drei-Wege-Zonenventil IG oder AG mit Motor Umschaltventil Dreiwegeventil Orkli Drei-Wege-Zonenventil IG oder AG mit Motor Umschaltventil Dreiwegeventil
Orkli Drei-Wege-Zonenventil IG oder AG mit Motor Umschaltventil Dreiwegeventil

Orkli Drei-Wege-Zonenventil – Innengewinde / AußengewindePräzise Steuerung für Heizungs- und SolaranlagenDie Orkli Drei-Wege-Zonenventile eignen sich perfekt für den Einsatz in geschlossenen Heizungskreisläufen und Solarkreisläufen.Die Ventile arbeiten stromlos im Modus AB-B offen und können bei Bedarf manuell über einen integrierten Hebel betätigt werden, um die Anlage unkompliziert zu befüllen, spülen, entlüften oder entleeren.Durch das kompakte Design und die hohe Qualität erfüllen sie die Anforderungen sowohl im Heizsystemen als auch in Solaranlagen.Eigenschaften und Vorteile:Anwendung: Ideal für Primärkreisläufe in Solarthermie- und Heizungssystemen.Kompatibilität: Unterstützt Flüssigkeiten wie Wasser und Glykolgemische bis zu 50 %.Flexibilität: Drei-Wege-Ventil mit einem Einlass und zwei Auslässen, ermöglicht vielseitige Steuerungsoptionen in geschlossenen Kreisläufen.Robustes Design: Ventilkörper aus hochwertigem, Messing, mit einem fest verbauten Motorgehäuse für Langlebigkeit und Effizienz.Technische Daten:Anschluss: je nach AuswahlMaximaler Druck: 10 barTemperaturbereich: -20 °C bis +160 °CStromlos geöffnet: AB-BEinbaulage: Motor oben oder seitlichMotor: Hysteresemotor, 230 Volt / 50 HzLeistungsaufnahme: 6 WattÖffnungs-/Schließzeit: <12 Sek. / 6 Sek.Kabellänge: 60 cmDifferenzdruck: 1/2" IG = 1,4 bar -- 3/4" IG = 0,6 bar -- 1" IG = 0,6 barDifferenzdruck: 3/4" AG = 0,7 bar -- 1" AG = 0,6 barDie Orkli Drei-Wege-Zonenventile bieten eine optimale Lösung zur Steuerung von Heizungs- und Solaranlagenkreisläufen, sind benutzerfreundlich und lassen sich flexibel einbauen - eine langlebige, energieeffiziente Wahl für zuverlässigen Betrieb.

Regulärer Preis: Ab 64,90 €
Orkli 2-Strang Solarstation 5.0-40.0 Liter mit Hocheffizienzpumpe Stratos Para 25/1-9 PWM Orkli 2-Strang Solarstation 5.0-40.0 Liter mit Hocheffizienzpumpe Stratos Para 25/1-9 PWM
Orkli 2-Strang Solarstation 5.0-40.0 Liter mit Hocheffizienzpumpe Stratos Para 25/1-9 PWM

Orkli 2-Strang Solarstation 5.0-40.0 Liter mit HocheffizienzpumpeEffiziente Pumpenstation für den Solarkreislauf Die Orkli 2-Strang Solarstation ist eine hochwertige Baugruppe, die speziell für die Hydraulik des Primärkreislaufs in Solarthermieanlagen entwickelt wurde.Sie gewährleistet die zuverlässige Abfuhr der Energie, die durch die Solarkollektoren gewonnen wird, und leitet diese in den Speicher, um eine effektive Wärmespeicherung sicherzustellen.Ausgestattet mit einer wartungsfreien Hocheffizienzpumpe und einem effizienten Energiemanagement ist sie die ideale Lösung für moderne Solaranlagen.Produktmerkmale und Vorteile:Effiziente Umwälzpumpe: Die wartungsfreie Pumpe mit geringer Stromaufnahme sorgt für eine zuverlässige Energieübertragung und optimiert den Betrieb der Solaranlage.Hochwertige Komponenten: Die Station ist mit Sperrventil, einer Schwerkraftbremse und einem Solarsicherheitsventil ausgestattet, um den reibungslosen Betrieb bei hohen Temperaturen sicherzustellen.Hohe Temperaturbeständigkeit: Die Materialien sind sorgfältig ausgewählt, um auch bei den erhöhten Betriebstemperaturen, die durch die Solarenergieerzeugung entstehen, leistungsfähig und langlebig zu bleiben.Zuverlässige Sicherheit: Die Station ist speziell auf die Anforderungen im Solarthermie-Primärkreislauf abgestimmt und schützt durch integrierte Sicherheitskomponenten das System zuverlässig vor Überhitzung und Druckschwankungen. Technische Daten: Pumpe: Stratos Para 25/1-9 PWM Für Kollektorfelder bis 50qm Max. Betriebstemperatur der Vorlaufleitung: 160 °C Max. Betriebstemperatur der Rücklaufleitung: 110 °C Max. Betriebstemperatur des Sicherheitsventils: 160 °C Sicherheitsventils: 6 bar Temperaturbereich Thermometer: 0-120 °C Durchflussanzeige: 5-40 l/min Hocheffizienzpumpe mit vorkonfektionierten Kabel Anpassbarkeit mit jeder Solarsteuerung Skala Druckmessbereich: 0-10 bar Abstand zwischen Strängen: 125 mm Anschlüsse: 1 1/4" Außengewinde Anschluss für Ausdehnungsgefäß: 3/4" Isolierendes Gehäuse aus expandierendem Polypropylen (EPP)  Elektrische Verbindung:Das Dreileiter 230V Kabel wird an eine 230V Versorgungsspannung angeschlossen (dies kann auch ein Anschluss im Solarregler sein):Braunes Kabel --> L (Phase)Blaues Kabel --> N (Null-Leiter)Gelb-Grünes Kabel --> PE (Erde) Das Dreileiter PWM Kabel wird an den Signalanschluss des Solarreglers angeschlossen:Braunes Kabel --> +Blaues Kabel --> -Schwarzes Kabel --> Rückmeldung Signal (wird nicht immer benötigt) Tipp:Sollte Ihre Steuerung über kein PWM Signal verfügen, können Sie einen Pumpensignalwandler (PSW) verwenden. ACHTUNG:Wird das PWM Signal Kabel, versehentlich, wenn auch nur kurzzeitig, an 230V angeschlossen, so ist die Pumpe zerstört. Dies stellt keinen Garantieanspruch dar!

Regulärer Preis: 519,00 €
Produkt Anzahl: Gib den gewünschten Wert ein oder benutze die Schaltflächen um die Anzahl zu erhöhen oder zu reduzieren.
Vakuumröhrenkollektor Sonnenkollektor Eurotherm-Solar PRO - 30R (4,44 m²) Vakuumröhrenkollektor Sonnenkollektor Solarthermie
Vakuumröhrenkollektor Sonnenkollektor Eurotherm-Solar PRO - 30R (4,44 m²)

Vakuumröhrenkollektor Sonnenkollektor Eurotherm-Solar PRO - 30R (4,44 m²)Der Hochleistungs-Vakuumröhrenkollektor Eurotherm-Solar PRO 30R besticht durch herausragendes Design, erstklassige Qualität und maximale Effizienz – und das zu einem äußerst attraktiven Preis.Dieser Kollektor ist die ideale Wahl für all jene, die auf modernste Solarthermie-Technologie setzen. Mit hoher Zuverlässigkeit und einfacher Installation bietet der Eurotherm-Solar PRO 30R Vakuumröhrenkollektor eine erstklassige Lösung für Anwendungen zur Brauchwassererwärmung, Heizungsunterstützung und Prozesswärmeerzeugung.Hochleistungs-Solarkollektor mit innovativer Heatpipe-TechnologieDer Eurotherm-Solar PRO 30R Vakuumröhrenkollektor setzt auf die bewährte und effiziente Heatpipe-Technologie. Im Gegensatz zu herkömmlichen Flachkollektoren oder einfachen Vakuumkollektoren bietet die Heatpipe-Technik eine wesentlich bessere Wärmeübertragung. Die 24 mm dicken und 70 mm langen Heatpipe-Köpfe maximieren den Kontakt zur Wärmeabgabe, was die Effizienz des Kollektors deutlich erhöht. Die Wärmeenergie wird über das integrierte Kupferrohr im Sammler optimal an das Wärmeträgermedium weitergeleitet. Selbst bei niedrigen Außentemperaturen oder suboptimaler Sonneneinstrahlung erzielt dieser Kollektor beeindruckende Ergebnisse.Hoher Wirkungsgrad bei allen WetterbedingungenDank der Vakuumtechnologie liefert der Eurotherm-Solar PRO 30R Solarkollektor auch bei diffusen Lichtverhältnissen oder schräg einfallender Sonneneinstrahlung konstant hohe Erträge. Selbst an bewölkten Tagen oder im Winter bleibt die Leistung bemerkenswert. Die Vakuumisolierung innerhalb der Glasröhren minimiert Wärmeverluste, sodass der Kollektor auch bei kalten Außentemperaturen effizient arbeitet.Erstklassige Materialqualität und LanglebigkeitDie Verwendung hochwertiger Materialien garantiert eine außergewöhnliche Langlebigkeit. Die Vakuumröhren bestehen aus robustem Borosilikat-Siliziumglas, das selbst Hagelkörnern von bis zu 25mm (mindestens) standhält. Das eloxierte Aluminiumgehäuse schützt vor Korrosion und Witterungseinflüssen.. Dank der robusten Bauweise gewähren wir auf den Eurotherm-Solar PRO 30R Sammler eine Garantie von 10 Jahren.Einfache Installation und WartungEin wesentlicher Vorteil dieses Röhrenkollektors ist die einfache Installation und Wartung. Durch die trockene Anbindung der Kollektorröhren ist es möglich, einzelne Röhren jederzeit auszutauschen, ohne die gesamte Solaranlage entleeren zu müssen. Dies spart Zeit und Kosten bei Reparaturen oder Wartungen. Der Kollektorrahmen kann separat installiert werden, was eine einfache Bodenmontage ermöglicht, bevor die Röhren sicher auf dem Dach montiert werden – schnell, sicher und effizient. Vielseitige EinsatzmöglichkeitenOb für Brauchwassererwärmung, Heizungsunterstützung, Prozesswärmeanlagen oder zur Poolerwärmung – der Eurotherm-Solar PRO 30R Vakuumröhrenkollektor liefert stets hohe Leistung. Er kann auf Schrägdächern, Flachdächern oder an Fassaden montiert werden, ist jedoch nicht für Indachmontagen geeignet. Durch seine Vielseitigkeit ist er eine flexible Lösung für verschiedene Anwendungsbereiche.Zertifizierung und FörderungDer Eurotherm-Solar PRO 30R Vakuumröhrenkollektor ist durch das renommierte Fraunhofer-Institut für Solare Energiesysteme (ISE) zertifiziert und trägt das Solar Keymark-Zertifikat, das hohe Qualität und Leistungsfähigkeit bestätigt. Dank dieser Zertifizierungen ist der Kollektor für staatliche Förderprogramme zugelassen. Seit 2024 können Sie von attraktiven Förderungen profitieren – bis zu 70 % der Kosten Ihrer Solarthermieanlage können durch die BAFA oder KfW erstattet werden. Gerne beraten wir Sie, wie Sie die Fördermöglichkeiten optimal nutzen können. Weitere Informationen finden Sie hier.Alle Vorteile des Eurotherm-Solar PRO Sonnenkollektors im Überblick:Höchste Zertifizierungen und QualitätssicherungZertifiziert durch das renommierte Fraunhofer-Institut für Solare Energiesysteme (ISE) in Freiburg und vollständig zugelassen nach DIN Certco. Zusätzlich Solar Keymark-zertifiziert, was maximale Qualität und Effizienz sicherstellt. Der Kollektor ist dadurch förderfähig für staatliche Zuschüsse und Förderprogramme.Vielseitige AnwendungsmöglichkeitenIdeal für Brauchwassererwärmung, Heizungsunterstützung und Prozesswärmeanlagen. Der Kollektor liefert konstant hohe Leistungen, selbst unter schwierigen Bedingungen, wie schräger Dachausrichtung oder diffusen Lichtverhältnissen.Langlebigkeit durch erstklassige MaterialienDank der Verwendung hochwertiger Vakuumröhren und eloxierter Aluminiumprofile bietet der Kollektor herausragende Haltbarkeit. Regelmäßige, protokollierte Qualitätskontrollen gewährleisten zudem eine lange Lebensdauer. Wir bieten deshalb volle 10 Jahre Garantie auf den Sammler.Hohe Effizienz auch bei niedrigen TemperaturenDie exzellente Wärmedämmung des Sammlers durch Steinwolle und die effektive Isolierung der Vakuumröhren garantieren minimale Wärmeverluste. Dies ermöglicht eine hohe Leistung auch bei niedrigen Außentemperaturen oder hohen Vorlauftemperaturen.Maximale Wärmeübertragung durch fortschrittliche TechnologieMit 24 mm dicken und 70 mm langen Heatpipe-Kondensatoren verdoppelt sich die Kontaktfläche zur Wärmeübertragung, wodurch eine höhere Effizienz als bei Standardkollektoren erreicht wird. Der direkt umflossene Kondensator sorgt für eine extrem schnelle und leistungsstarke Wärmeübertragung.Beste Leistung bei jeder SonnenausrichtungDank der Vakuumtechnologie wandelt der Kollektor auch schräg einfallende Sonnenstrahlen optimal in Wärme um. Selbst bei weniger optimaler Dachausrichtung oder geringem Sonnenlicht ist die Anlage äußerst leistungsstark.Einfache Überwachung und IntegrationEine integrierte Tauchhülse ermöglicht die präzise Überwachung der Temperatur mit einem Fühler. Diese Funktion trägt zu einer effizienten Systemsteuerung und -regelung bei.Robustes und ästhetisches DesignDer stabile Aluminiumrahmen bietet nicht nur Schutz vor Wettereinflüssen, sondern fügt sich auch optisch ansprechend in jede Dacharchitektur ein. Das formschöne, eloxierte Gehäuse ist korrosionsbeständig und langlebig.Wartungsfreundlich durch trockene AnbindungDank der innovativen, trockenen Anbindung können einzelne Röhren ausgetauscht werden, ohne die gesamte Anlage entleeren zu müssen. Dies reduziert den Wartungsaufwand erheblich und minimiert potenzielle Ausfallzeiten.Frostschutz für kalte RegionenDas spezielle Frostschutzdesign der Heatpipes sorgt dafür, dass der Kollektor auch bei extrem niedrigen Temperaturen, wie in sehr kalten Einsatzgebieten, zuverlässig arbeitet und eine lange Lebensdauer bietet.Einfache und flexible MontageDer Aufbau des Rahmens kann ohne gleichzeitiges Einsetzen der Röhren erfolgen, was eine einfache Installation auf dem Boden ermöglicht. Anschließend können die Röhren problemlos auf dem Dach montiert werden – ideal für Schrägdächer, Flachdächer und Fassadenmontage.Technische Daten:ModellEurotherm-Solar PROHerstellerSolardirekt24 GmbHKonstruktionHeatpipe Vakuum Röhren Solar Kollektor mit trockener AnbindungBrutto Fläche4,44 m2Absorber Fläche2,78 m2Anzahl Kollektorröhren30Röhrenlänge1800 mmAußendurchmesser Röhre58 mmInnendurchmesser Röhre47 mmHöhe1917 mmBreite2315 mmTiefe125 mmRöhrenabstand75 mmNettogewicht103 kgAbsorptionsgrad95 %Empfohlenes MediumWasser oder Glykolgemisch (Solarflüssigkeit)Empfohlener Anstellwinkel15 - 90°Empfohlener Volumenstrom120 l/hArbeitsdruck max.10 barPrüfdruck18 barArbeitsdruck empfohlen3 barIsolierung SammlerSteinwolleAnschluss Sammler22mm KupferrohrTauchhülseintegriertMaterial SammlergehäuseAluminium, eloxiertMaterial RahmenAluminium, eloxiertFarbe Sammler & RahmenSilberMaterial RöhrenBorosilikat-SiliziumGlasstärke2 mmHagelbeständigbis min. 25mmHeat-Pipe Kopf24 mm (70 mm Länge)Stagnationstemperatur208 °CDrain-BackGeeignetSteam-BackGeeignetPoolanbindungGeeignet (mit Plattenwärmetauscher)Installation SchrägdachGeeignetInstallation FlachdachGeeignetFassadenmontageGeeignetIndachmontageNicht geeignetSpiegelNeinEmpfohlene Speichergrößeca. 50 Liter pro m2 Kollektorfläche

Regulärer Preis: 799,00 €
Produkt Anzahl: Gib den gewünschten Wert ein oder benutze die Schaltflächen um die Anzahl zu erhöhen oder zu reduzieren.
Solarstation 2-Strang-Pumpengruppe Hocheffizienzpumpe Hydra GPS I 20-8-130 PWM2 Solarstation 2-Strang-Pumpengruppe Hocheffizienzpumpe Hydra GPS I 20-8-130 PWM2
Solarstation 2-Strang-Pumpengruppe Hocheffizienzpumpe Hydra GPS I 20-8-130 PWM2

Solarstation 2-Strang-Pumpengruppe Hocheffizienzpumpe Hydra GPS I 20-8-130 PWM2 Optimieren Sie Ihre Solarthermie-Anlage mit unserer 2-Strang Solarstation, ausgestattet mit der hochmodernen Hydra GPS I 20-8-130 PWM2 Hocheffizienzpumpe. Diese Pumpe zeichnet sich durch ihren besonders niedrigen Energieverbrauch im Vergleich zu herkömmlichen asynchronen Pumpen aus und bietet maximale Effizienz und Zuverlässigkeit.Unsere Solarstation dient als entscheidendes Bindeglied zwischen Kollektor und Speicher und gewährleistet die effektive Zirkulation der Wärmeträgerflüssigkeit. Sie ist ideal für den Einsatz in Systemen mit Flachkollektoren oder Vakuumröhrenkollektoren und vereinfacht durch ihre durchdachte Konstruktion Installation, Bedienung und Wartung.Ihre Vorteile auf einen BlickPräzise Temperaturkontrolle: Vor- und Rücklauftemperaturen einfach überwachen.Vormontiert und isoliert: Inklusive hochwertiger Wärmedämmung aus EPP (schwarz).Sicherheitsausstattung: Solar-Sicherheitsventil (6 bar), Manometer (10 bar) und integrierte Entlüftung.Einfache Handhabung: Integrierte Befüll- und Spüleinrichtung.Höchste Flexibilität: Für Wand- und Speichereinbau geeignet.Komfortable Durchflussanzeige: Bereich von 2 bis 12 l/min.Robuste Komponenten: Kugelhähne, Rückschlagventile und Thermometer (beidseitig).Elektrische Verbindung230V Versorgung:Braunes Kabel → L (Phase)Blaues Kabel → N (Null-Leiter)Gelb-Grünes Kabel → PE (Erde)PWM Signalanschluss:Braunes Kabel → + DC PluspolBlaues Kabel → - DC MinuspolSchwarzes Kabel → Rückmeldung (optional)Wichtig: Das PWM-Signal ist eine DC-Gleichspannung (0-10V). Vermeiden Sie eine Verbindung mit 230V AC, da dies die Pumpe irreparabel beschädigen kann.Praktischer TippFalls Ihre Steuerung kein PWM-Signal unterstützt, empfehlen wir den Einsatz eines Pumpensignalwandlers, z. B. den Resol PSW Premium.Technische DatenPumpeHydra GPS I 20-8-130 PWM2Max. Betriebstemperatur110 °CSicherheitsventil6 barTemperaturbereich Thermometerrot 160 °C / blau 100 °CDurchflussanzeige2-12 l/minAnschlüsse Solarleitung3/4" AGAnschluss für Ausdehnungsgefäß3/4" AGAnschlüsse am KFE-Hahn3/4" AGAbmessungen ca.310 x 460 x 190 mmSpannung220-240V bei 50-60Hz

Regulärer Preis: 244,90 €
Produkt Anzahl: Gib den gewünschten Wert ein oder benutze die Schaltflächen um die Anzahl zu erhöhen oder zu reduzieren.
Orkli Zwei-Wege-Zonenventil 1/2" bis 1" IG / AG mit Motor Umschaltventil Zweiwegeventil Orkli Zwei-Wege-Zonenventil 1/2" bis 1" IG / AG mit Motor Umschaltventil Zweiwegeventil
Orkli Zwei-Wege-Zonenventil 1/2" bis 1" IG / AG mit Motor Umschaltventil Zweiwegeventil

Zwei-Wege-Zonenventil 1/2 Zoll bis 1 Zoll - Innengewinde oder Außengewinde Effizientes Umschaltventil für Solaranlagen und HeizungssystemeDas Orkli Zwei-Wege-Ventil eignet sich perfekt für den Einsatz in geschlossenen Heiz- oder Solarkreisläufen. Als stromlos geschlossenes 2-Wege-Ventil sorgt es für eine zuverlässige Steuerung des Flüssigkeitsflusses in Ihrem System.Der integrierte manuelle Hebel ermöglicht eine einfache Bedienung zum Befüllen, Spülen, Entlüften oder Entleerung der Anlage.Ihre Vorteile auf einen Blick: • Vielseitiger Einsatz: Geeignet für den Primärkreisläufen in Solarsystemen und Heizungssystemen.• Kompatibilität mit Flüssigkeiten: Das Ventil ist für Wasser und Gemische mit bis zu 50 % Glycol geeignet.• Zwei-Wege-Design: Ein Einlass und ein Auslass ermöglichen eine klare und effiziente Steuerung des Kreislaufs.• Robuste Bauweise: Der Ventilkörper besteht aus langlebigem Messing, während das Motorgehäuse für zuverlässige Leistung sorgt. Technische Daten: Anschluss: je nach AuswahlMaximaler Druck: 10 barTemperaturbereich: -20 - 160 °CDas Ventil ist stromlos geschlossenZulässige Einbaulagen: Motor oben oder seitlich!Motor: Hysteresemotor 230 Volt / 50HzLeistungsaufnahme: 6 WattÖffnung-/Schließzeit ca.: <12 Sek. / 6 Sek.Rücklauf mittels FederkraftAuslieferzustand: A - geschlossenKabellänge: 60 cmDifferenzdruck: 1/2" IG = 1,4 bar -- 3/4" IG = 0,6 bar -- 1" IG = 0,6 barDifferenzdruck: 3/4" AG = 0,7 bar -- 1" AG = 0,6 barDas Orkli Zwei-Wege-Ventil bietet eine einfache und langlebige Lösung zur Steuerung von Flüssigkeitskreisläufen in Heiz- und Solaranlagen. Ideal für Anwendungen, die Flexibilität und Zuverlässigkeit erfordern.

Regulärer Preis: Ab 56,90 €
Orkli 2-Strang Solarstation 2,0-12,0 Liter mit Hocheffizienzpumpe Yonos Para ST15/7 PWM Orkli 2-Strang Solarstation 2,0-12,0 Liter mit Hocheffizienzpumpe Yonos Para ST15/7 PWM
Orkli 2-Strang Solarstation 2,0-12,0 Liter mit Hocheffizienzpumpe Yonos Para ST15/7 PWM

Orkli 2-Strang Solarstation 2.0-12.0 Liter mit HocheffizienzpumpeEffiziente Pumpenstation für den Solarkreislauf Die Orkli 2-Strang Solarstation ist eine hochwertige Baugruppe, die speziell für die Hydraulik des Primärkreislaufs in Solarthermieanlagen entwickelt wurde.Sie gewährleistet die zuverlässige Abfuhr der Energie, die durch die Solarkollektoren gewonnen wird, und leitet diese in den Speicher, um eine effektive Wärmespeicherung sicherzustellen.Ausgestattet mit einer wartungsfreien Hocheffizienzpumpe und einem effizienten Energiemanagement ist sie die ideale Lösung für moderne Solaranlagen.Produktmerkmale und Vorteile:Effiziente Umwälzpumpe: Die wartungsfreie Pumpe mit geringer Stromaufnahme sorgt für eine zuverlässige Energieübertragung und optimiert den Betrieb der Solaranlage.Hochwertige Komponenten: Die Station ist mit Sperrventil, einer Schwerkraftbremse und einem Solarsicherheitsventil ausgestattet, um den reibungslosen Betrieb bei hohen Temperaturen sicherzustellen.Hohe Temperaturbeständigkeit: Die Materialien sind sorgfältig ausgewählt, um auch bei den erhöhten Betriebstemperaturen, die durch die Solarenergieerzeugung entstehen, leistungsfähig und langlebig zu bleiben.Zuverlässige Sicherheit: Die Station ist speziell auf die Anforderungen im Solarthermie-Primärkreislauf abgestimmt und schützt durch integrierte Sicherheitskomponenten das System zuverlässig vor Überhitzung und Druckschwankungen.Technische Daten: Pumpe: Yonos Para ST15/7 PWM Max. Betriebstemperatur der Vorlaufleitung: 120 °C Max. Betriebstemperatur der Rücklaufleitung: 100 °C Max. Betriebstemperatur des Sicherheitsventils: 160 °C Sicherheitsventils: 6 bar Temperaturbereich Thermometer: 0–120 °C Durchflussanzeige: 2–12 l/min Hocheffizienzpumpe mit vorkonfektionierten Kabel Abstand zwischen Vor- und Rücklauf: 95 mm Externe Modulation der PWM Pumpe Einsetzbar für Kollektorfelder bis 16qm Anpassbarkeit mit jeder Solarsteuerung Stromaufnahmebereich der Pumpe 4-60W Skala Druckmessbereich: 0–10 bar Anschlüsse: 3/4" Innengewinde Isolierendes Gehäuse aus expandierendem Polypropylen (EPP) Elektrische Verbindung:Das Dreileiter 230V Kabel wird an eine 230V Versorgungsspannung angeschlossen (dies kann auch ein Anschluss im Solarregler sein):Braunes Kabel --> L (Phase)Blaues Kabel --> N (Null-Leiter)Gelb-Grünes Kabel --> PE (Erde) Das Dreileiter PWM Kabel wird an den Signalanschluss des Solarreglers angeschlossen:Braunes Kabel --> +Blaues Kabel --> -Schwarzes Kabel --> Rückmeldung Signal (wird nicht immer benötigt) Tipp:Sollte Ihre Steuerung über kein PWM Signal verfügen, können Sie einen Pumpensignalwandler (PSW) verwenden. ACHTUNG:Wird das PWM Signal Kabel, versehentlich, wenn auch nur kurzzeitig, an 230V angeschlossen, so ist die Pumpe zerstört. Dies stellt keinen Garantieanspruch dar!

Regulärer Preis: 332,50 €
Produkt Anzahl: Gib den gewünschten Wert ein oder benutze die Schaltflächen um die Anzahl zu erhöhen oder zu reduzieren.
Vakuumröhrenkollektor Sonnenkollektor Eurotherm-Solar CPC - 24R (5,29 m²) Vakuumröhrenkollektor Sonnenkollektor Eurotherm-Solar CPC - 24R (5,29 m²)
Vakuumröhrenkollektor Sonnenkollektor Eurotherm-Solar CPC - 24R (5,29 m²)

Vakuumröhrenkollektor Sonnenkollektor Eurotherm-Solar CPC - 24R (5,29 m²)Der Eurotherm-Solar CPC 24R Vakuumröhrenkollektor bietet höchste Effizienz und modernste Technologie in einem eleganten Design. Mit seiner fortschrittlichen CPC-Spiegeltechnologie und hochwertigen Materialien ist dieser Kollektor die ideale Lösung für alle, die maximale Solarenergiegewinne und zuverlässige Leistung suchen – selbst bei schwierigen Wetterbedingungen wie diffusem Licht oder niedrigen Außentemperaturen.Leistungsstarke Technologie für optimale EffizienzDurch die CPC-Spiegel hinter den Röhren wird die Sonneneinstrahlung unabhängig vom Einstrahlwinkel optimal auf die Absorbefläche gelenkt, wodurch auch bei suboptimaler Dachausrichtung hohe Erträge erzielt werden. Diese einzigartige Spiegeltechnologie, kombiniert mit der Heatpipe-Technologie und den groß dimensionierten 14 mm Heatpipe-Kondensatoren, ermöglicht eine herausragende Wärmeübertragung und maximale Effizienz.Der Eurotherm-Solar CPC 24R Vakuumröhrenkollektor ist nicht nur für die Brauchwassererwärmung, sondern auch für die Heizungsunterstützung und Prozesswärmeanlagen hervorragend geeignet. Die Vakuumisolierung und die hochselektiven 360° Absorber sorgen für minimale Wärmeverluste und hohe Energiegewinne, selbst in den Übergangsjahreszeiten und im Winter.Erstklassige Materialqualität und LanglebigkeitDie Verwendung hochwertiger Materialien garantiert eine außergewöhnliche Langlebigkeit. Die Vakuumröhren bestehen aus robustem Borosilikat-Siliziumglas, das selbst Hagelkörnern von bis zu 25mm (mindestens) standhält. Das eloxierte Aluminiumgehäuse schützt vor Korrosion und Witterungseinflüssen.. Dank der robusten Bauweise gewähren wir auf den Eurotherm-Solar CPC 24R Sammler eine Garantie von 10 Jahren.Einfache Installation und WartungEin wesentlicher Vorteil dieses Röhrenkollektors ist die einfache Installation und Wartung. Durch die trockene Anbindung der Kollektorröhren ist es möglich, einzelne Röhren jederzeit auszutauschen, ohne die gesamte Solaranlage entleeren zu müssen. Dies spart Zeit und Kosten bei Reparaturen oder Wartungen. Der Kollektorrahmen kann separat installiert werden, was eine einfache Bodenmontage ermöglicht, bevor die Röhren sicher auf dem Dach montiert werden – schnell, sicher und effizient. Vielseitige EinsatzmöglichkeitenOb für Brauchwassererwärmung, Heizungsunterstützung, Prozesswärmeanlagen oder zur Poolerwärmung – der Eurotherm-Solar CPC 24R Vakuumröhrenkollektor liefert stets hohe Leistung. Er kann auf Schrägdächern, Flachdächern oder an Fassaden montiert werden, ist jedoch nicht für Indachmontagen geeignet. Durch seine Vielseitigkeit ist er eine flexible Lösung für verschiedene Anwendungsbereiche.Zertifizierung und FörderungDer Eurotherm-Solar CPC 24R Vakuumröhrenkollektor ist durch das renommierte Fraunhofer-Institut für Solare Energiesysteme (ISE) zertifiziert und trägt das Solar Keymark-Zertifikat, das hohe Qualität und Leistungsfähigkeit bestätigt. Dank dieser Zertifizierungen ist der Kollektor für staatliche Förderprogramme zugelassen. Seit 2024 können Sie von attraktiven Förderungen profitieren – bis zu 70 % der Kosten Ihrer Solarthermieanlage können durch die BAFA oder KfW erstattet werden. Gerne beraten wir Sie, wie Sie die Fördermöglichkeiten optimal nutzen können. Weitere Informationen finden Sie hier.Alle Vorteile des Eurotherm-Solar CPC Sonnenkollektors im Überblick:Höchste Zertifizierungen und QualitätssicherungZertifiziert durch das renommierte Fraunhofer-Institut für Solare Energiesysteme (ISE) in Freiburg und vollständig zugelassen nach DIN Certco. Zusätzlich Solar Keymark-zertifiziert, was maximale Qualität und Effizienz sicherstellt. Der Kollektor ist dadurch förderfähig für staatliche Zuschüsse und Förderprogramme.Vielseitige AnwendungsmöglichkeitenIdeal für Brauchwassererwärmung, Heizungsunterstützung und Prozesswärmeanlagen. Der Kollektor liefert konstant hohe Leistungen, selbst unter schwierigen Bedingungen, wie schräger Dachausrichtung oder diffusen Lichtverhältnissen.Hochreflektierende CPC-SpiegelMaximale Nutzung der Sonneneinstrahlung, auch bei schrägem Lichteinfall.Langlebigkeit durch erstklassige MaterialienDank der Verwendung hochwertiger Vakuumröhren und eloxierter Aluminiumprofile bietet der Kollektor herausragende Haltbarkeit. Regelmäßige, protokollierte Qualitätskontrollen gewährleisten zudem eine lange Lebensdauer. Wir bieten deshalb volle 10 Jahre Garantie auf den Sammler.Hohe Effizienz auch bei niedrigen TemperaturenDie exzellente Wärmedämmung des Sammlers durch Steinwolle und die effektive Isolierung der Vakuumröhren garantieren minimale Wärmeverluste. Dies ermöglicht eine hohe Leistung auch bei niedrigen Außentemperaturen oder hohen Vorlauftemperaturen.Maximale Wärmeübertragung durch fortschrittliche TechnologieMit 14 mm dicken und 70 mm langen Heatpipe-Kondensatoren verdoppelt sich die Kontaktfläche zur Wärmeübertragung, wodurch eine höhere Effizienz als bei Standardkollektoren erreicht wird. Der direkt umflossene Kondensator sorgt für eine extrem schnelle und leistungsstarke Wärmeübertragung.Beste Leistung bei jeder SonnenausrichtungDank der Vakuumtechnologie wandelt der Kollektor auch schräg einfallende Sonnenstrahlen optimal in Wärme um. Selbst bei weniger optimaler Dachausrichtung oder geringem Sonnenlicht ist die Anlage äußerst leistungsstark.Einfache Überwachung und IntegrationEine integrierte Tauchhülse ermöglicht die präzise Überwachung der Temperatur mit einem Fühler. Diese Funktion trägt zu einer effizienten Systemsteuerung und -regelung bei.Robustes und ästhetisches DesignDer stabile Aluminiumrahmen bietet nicht nur Schutz vor Wettereinflüssen, sondern fügt sich auch optisch ansprechend in jede Dacharchitektur ein. Das formschöne, eloxierte Gehäuse ist korrosionsbeständig und langlebig.Wartungsfreundlich durch trockene AnbindungDank der innovativen, trockenen Anbindung können einzelne Röhren ausgetauscht werden, ohne die gesamte Anlage entleeren zu müssen. Dies reduziert den Wartungsaufwand erheblich und minimiert potenzielle Ausfallzeiten.Frostschutz für kalte RegionenDas spezielle Frostschutzdesign der Heatpipes sorgt dafür, dass der Kollektor auch bei extrem niedrigen Temperaturen, wie in sehr kalten Einsatzgebieten, zuverlässig arbeitet und eine lange Lebensdauer bietet.Einfache und flexible MontageDer Aufbau des Rahmens kann ohne gleichzeitiges Einsetzen der Röhren erfolgen, was eine einfache Installation auf dem Boden ermöglicht. Anschließend können die Röhren problemlos auf dem Dach montiert werden – ideal für Schrägdächer, Flachdächer und Fassadenmontage.Technische Daten:ModellEurotherm-Solar CPCHerstellerSolardirekt24 GmbHKonstruktionHeatpipe Vakuum Röhren Solar Kollektor mit trockener AnbindungBrutto Fläche5,29 m2Absorber Fläche4,41 m2Anzahl Kollektorröhren24Röhrenlänge1800 mmAußendurchmesser Röhre58 mmInnendurchmesser Röhre47 mmHöhe1980 mmBreite2670 mmTiefe133 mmRöhrenabstand110 mmNettogewicht82 kgAbsorptionsgrad95 %Empfohlenes MediumWasser oder Glykolgemisch (Solarflüssigkeit)Empfohlener Anstellwinkel15 - 90°Empfohlener Volumenstrom120 l/hArbeitsdruck max.10 barPrüfdruck18 barArbeitsdruck empfohlen3 barIsolierung SammlerSteinwolleAnschluss Sammler22mm KupferrohrTauchhülseintegriertMaterial SammlergehäuseAluminium, eloxiertMaterial RahmenAluminium, eloxiertFarbe Sammler & RahmenSilberMaterial RöhrenBorosilikat-SiliziumGlasstärke2 mmHagelbeständigbis min. 25mmHeat-Pipe Kopf14 mm (70 mm Länge)Stagnationstemperatur275,6 °CDrain-BackGeeignetSteam-BackGeeignetPoolanbindungGeeignet (mit Plattenwärmetauscher)Installation SchrägdachGeeignetInstallation FlachdachGeeignetFassadenmontageGeeignetIndachmontageNicht geeignetSpiegelJaEmpfohlene Speichergrößeca. 50 Liter pro m2 Kollektorfläche

Regulärer Preis: 799,00 €
Produkt Anzahl: Gib den gewünschten Wert ein oder benutze die Schaltflächen um die Anzahl zu erhöhen oder zu reduzieren.